Перейти до основного вмісту Перейти до пошуку Перейти до основної навігації

Котел газовий Данко (чавун, автоматика SIT) 16 кВт

Інформація про продукт "Котел газовий Данко (чавун, автоматика SIT) 16 кВт"

Підлоговий газовий котел Данко потужністю 16 кВт призначений для ефективного опалення приміщень площею до 160 м². Ця модель оснащена високоякісним чавунним теплообмінником та надійною італійською автоматикою SIT, що забезпечує стабільну та безпечну роботу системи опалення.

Основою конструкції є секційний чавунний теплообмінник Viadrus, виготовлений з якісного сірого чавуну, який відрізняється високими антикорозійними показниками та значною тепловіддачею. Товсті стінки теплообмінника, що перевищують 4 мм, сприяють його довговічності, забезпечуючи термін служби 25 років і більше. Чавун має властивість акумулювати тепло, що дозволяє підтримувати стабільну температуру в системі опалення та підвищує загальну теплову ефективність котла. Важливо враховувати чутливість чавуну до різких перепадів температур, тому рекомендується уникати подачі холодної води в розігрітий теплообмінник.

Інтегрована італійська автоматика SIT (зокрема, моделі 630 EUROSIT) гарантує енергонезалежну роботу котла, що є критично важливим в умовах можливих перебоїв з електропостачанням. Вона забезпечує автоматичний розпал запального пальника та основних пальників, а також точне регулювання температури води в діапазоні від 40 до 90 °С. Система безпеки автоматично припиняє подачу газу у разі згасання запальника, зниження тиску газу в мережі, припинення подачі газу або відсутності тяги в димоході, що значно підвищує безпеку експлуатації.

  • Довговічність та надійність: Чавунний теплообмінник Viadrus забезпечує тривалий термін служби котла, стійкість до корозії та високу теплову інерцію.
  • Енергонезалежна автоматика: Італійська система SIT дозволяє котлу функціонувати без підключення до електромережі, забезпечуючи безперебійне опалення.
  • Високий ККД: Коефіцієнт корисної дії до 90% гарантує ефективне використання палива та економічну експлуатацію.
  • Комплексна система безпеки: Автоматика контролює наявність полум'я, тиск газу та тягу в димоході, автоматично відключаючи подачу газу при виникненні нештатних ситуацій.
  • Ефективна теплоізоляція: Високоякісна термостійка ізоляція ISOVER товщиною 50 мм мінімізує втрати тепла, підвищуючи енергоефективність пристрою.

Газовий котел Данко 16 кВт з чавунним теплообмінником та автоматикою SIT є оптимальним рішенням для опалення індивідуальних житлових будинків, котеджів та інших об'єктів комунально-побутового призначення площею до 160 м². Він може бути інтегрований як у відкриті, так і в закриті системи водяного опалення з природною або примусовою циркуляцією теплоносія. Ця модель підходить для користувачів, які цінують довговічність, надійність та автономність роботи опалювального обладнання, особливо в умовах, де стабільність електропостачання не гарантована.

Виробник: Данко
Країна виробник: Україна
Тип обладнання: котел газовий
Гарантія: 2 роки
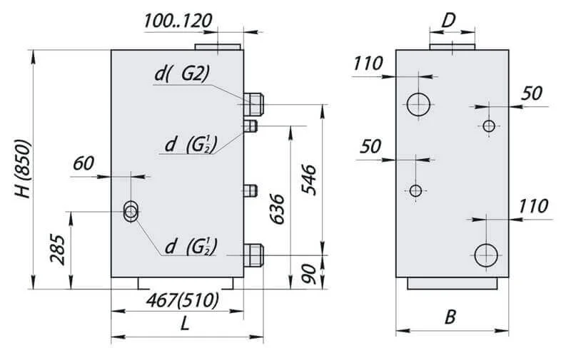
Діаметр підключення газу: 1/2"
Діаметр підключення контуру опалення: 1 1/2"
Опалювана площа: 160 м²
Потужність: 16 кВт
Режим роботи: тільки опалення
Спосіб встановлення: підлоговий
Теплообмінник: чавунний
Тип розпалу: п'єзо
Тяга: димохідний
ККД: 90 %
Макс. витрата газу: 1.9 м³/ч
Модель: 16 (Чугун) автоматика Sit
Діаметр димаря: 110 мм
Розміри: 420 × 895 × 560 мм

0 з 0 відгуків

Середня оцінка 0 з 5 зірок

Залиште відгук!

Діліться своїм досвідом з іншими клієнтами.


Виробник може змінювати характеристики товару без попередження. Помітили помилку в описі? Напишіть нам — швидко перевіримо та виправимо.

Адмін
Loading...