Перейти до основного вмісту Перейти до пошуку Перейти до основної навігації
+38 (067) 295-89-12

Вентилятор RV 05R

  • Тип обладнання: вентилятор
  • Країна виробник: Польща

Інформація про продукт "Вентилятор RV 05R"

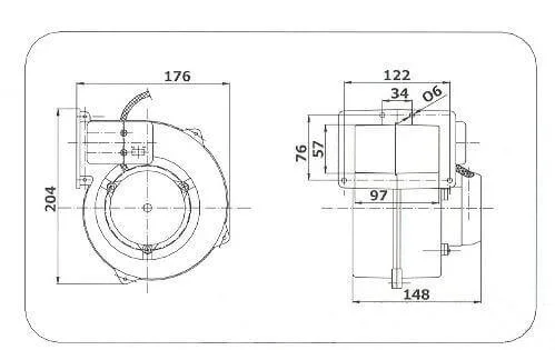
Нагнітальний вентилятор Ewmar-ness RV 05R забезпечує примусову подачу повітря в камеру згоряння твердопаливних котлів потужністю від 75 до 100 кВт. Його використання сприяє повному згорянню палива, підвищуючи ККД котла та знижуючи витрати.

Модель оснащена індукційним двигуном з безперервним режимом роботи S1. Корпус виготовлений з алюмінієвого сплаву, що забезпечує міцність та стійкість до високих температур. Вентилятор демонструє продуктивність до 400 м³/год при максимальному тиску 400 Па. Номінальна потужність становить 85 Вт при живленні 230 В, 50 Гц. Рівень шуму не перевищує 65 дБ(А), що дозволяє комфортно експлуатувати котел у житлових приміщеннях.

  • Універсальне розташування дозволяє встановлювати вентилятор у вільному положенні, що спрощує інтеграцію в різні системи.
  • Ступінь захисту IP20 вказує на захист від проникнення твердих предметів розміром понад 12,5 мм, але відсутність захисту від вологи, що визначає умови монтажу в сухих приміщеннях.

Цей нагнітальний вентилятор призначений для роботи в парі з системами автоматичного контролю горіння, забезпечуючи стабільну та ефективну роботу твердопаливних котлів середньої потужності.

Виробник: Ewmar-ness
Країна виробник: Польща
Тип обладнання: вентилятор
Гарантія: 1 рік
Модель: RV 05R

0 з 0 відгуків

Середня оцінка 0 з 5 зірок

Залиште відгук!

Діліться своїм досвідом з іншими клієнтами.


Виробник може змінювати характеристики товару без попередження. Помітили помилку в описі? Напишіть нам — швидко перевіримо та виправимо.

Адмін
Loading...